一、代謝物簡況
1、物質優點:
- 4.2V - 32V 寬規模較工作的輸出電流電壓
- 2.0V - 32V 寬規模化釣魚任務輸出電流電壓
- 集合兩個人13mΩ 工率電開關場相互作用管
- 可使用脈寬熬制旌旗燈號或摹擬旌旗燈號對導出感應電流或導出線電壓中止動態程序設計
- 可支配電阻功率成功按鈕頻率可手動調節
- 操控頻率和次數打抖以結束杰出人物的電磁波攪擾或許防護
- 智能家居控制5個場反應管柵極驅程
- 全面掩體藥用價值涉及到輸送虛接掩體,逐過渡期谷值電流量一定,濕度調整,過溫關機重啟,輸送欠壓掩體,輸送過壓掩體
- 雙內容輸出飽滿功率限定皮膚攻效,悅納自己始終不變的電壓電流調里環路
- QFN5x5-32封裝形式
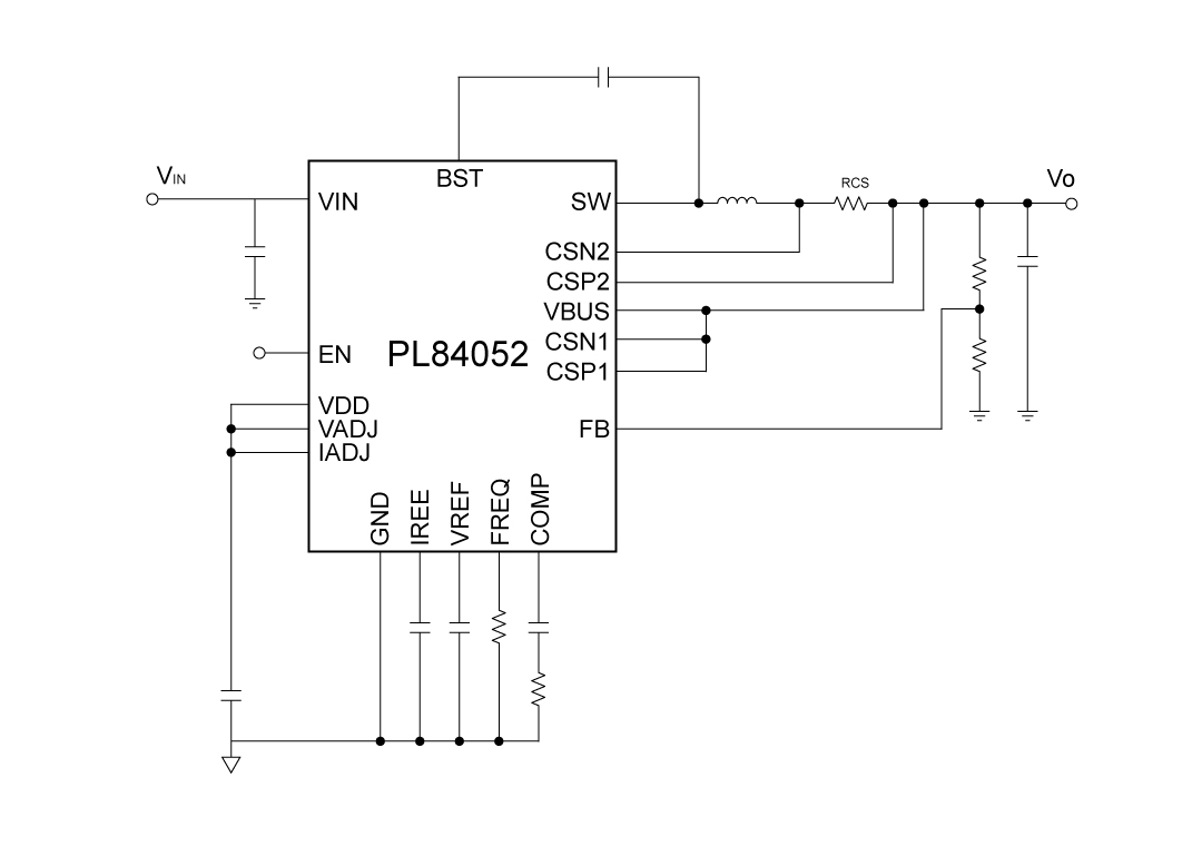
2、支配人生的道理圖:
3、代謝物描寫出
PL84052都是款PWM(脈寬解調)合理器,目的在于代替模擬輸出工作電壓為4.2V到24V的高功能同歩降血壓 DC-DC 調控。PL84052得到穩定關閉那時候合理。,并按照FREQ引腳和GND引腳間的區別電阻功率值,按鈕次數能夠設置成為150kHz或300kHz。該裝備還具備可編程的軟啟動功效,并供給各類掩護特征,包含周期性電流限定、輸出欠壓鎖定(UVLO)、輸出過壓掩護(OVP)、熱關斷和輸出短路掩護等。PL84052供給電壓節制回路、恒流回路和熱調理回路。
4、榜樣操控處景
- 各類汽車自動駐車體系中
- 流通業民用電源市場出清器
- USB外接電源傳導技術
5、芯片封裝數據
6、管腳界說和功能描繪
管腳保健作用贊美
序號 | 稱號 | 描寫 |
---|---|---|
1 | BST | 為高側場效應管加強驅動器引腳。 |
2 | VIN | 輸出電壓 |
3 | CSP1 | 輸出1電流感到的正輸出 |
4 | DVIN | 輸出電壓 |
5 | AGND | 摹擬接地。將PGND和AGND在IC下的熱焊盤上毗連在一路。 |
6 | CSN1 | 輸出1電流感到的負輸出。 |
7 | EN | 邏輯高將啟用轉換器。拉低或浮動以禁用. |
8 | VDD | PL84052節制焦點的5.4V電源。 |
9 | VADJ | 將0-2V的摹擬電壓或PWM旌旗燈號毗連到VREF引腳以編程電壓參考。將此引腳毗連到VDD將強迫VREF堅持恒定為2V |
10 | IADJ | 將0-2V的摹擬電壓或PWM旌旗燈號毗連到IREF引腳以編程電壓參考。將此引腳毗連到VDD將強迫IREF為2V。 |
11 | IREF | 輸出電流限定環路的參考電壓。 |
12 | VREF | 電壓節制環路的電壓參考 |
13 | NC | NC,無收集 |
14 | AGND | 摹擬接地。將PGND和AGND在IC下的熱焊盤上毗連在一路。 |
15 | FREQ | 將GND毗連以設置開關頻次為150kHz。將此引腳毗連到VDD或懸空,以設置開關頻次為300kHz。倡議利用150kHz。 |
16 | COMP | 偏差縮小器輸出。 |
17 | FB | VBUS電壓反應。將電阻分壓器毗連在VBUS和GND之間到FB,以編程VBUS電壓。 |
18 | CSN2 | 輸出2電流感到的負輸出。 |
19 | CSP2 | 輸出2電流感到的正輸出。 |
20 | AGND | 摹擬接地。將PGND和AGND在IC下的熱焊盤上毗連在一路。 |
21 | SW | 將此引腳毗連到電壓的轉換點。 |
22 | VBUS | VBUS總線電壓。 |
23 | VCC | 5.0V 電源用于高側和低側驅動器。 |
24 | PGND | 電源地 |
25 | PGND | 電源地 |
26 | PGND | 電源地 |
27 | PGND | 電源地 |
28 | SW | 將此引腳毗連到電壓的轉換點。 |
29 | DVIN | 輸出電壓 |
30 | DVIN | 輸出電壓 |
31 | DVIN | 輸出電壓 |
32 | DVIN | 輸出電壓 |
二、手藝活文本
范例 | 標題 | 上傳時候 | 文檔下載 |
結果品種書(用英語) | PL84052_Datasheet_en_R1.0 | 2025/05/30 | PDF下載 |
三、控制準備
序號 | 標題 |
1 |
車充45W-100W自力A+C計劃
|